スマートタップ修理
by K.I
2025/11/01~
Index
概要
回路解析
電源部
USB部
制御部
結局
概要
けっこう気に入っていて使っていたスマートタップが壊れた。
電源を入れると、一瞬だけLEDが点灯して、直ぐにダウンする。
分解して、中を見てみたが、ぱっと見では不具合箇所がわからない。
ざっと回路を確認しようと思って解析しはじめたら、意外と面白くなってきて、
目的を忘れて、けっこう詳細に調べる羽目になってしまった。
[top]
回路解析
スマートタップの基板
かなり頑張って回路を読んでみる
パターンが読みにくい箇所もあったので、間違っているかもしれないけど
電源部
電源部はちょっと難難だったんだけど、
R6853
のTypical Applicationを参考にして、
電源部の回路を類推する
2.5Vの基準電圧を使って、約5Vを出力するスイッチング電源回路になっているようだ。
100V系、5V系、3.3V系のGNDは、それぞれ別系統になっている。
1
JC357
- optically coupled isolation device
Q1のFETは、品番が読めなかったので不明。
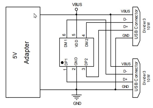
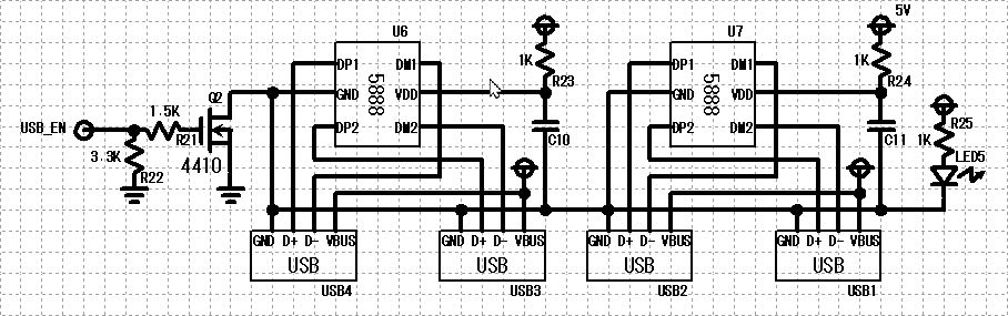
USB部
5888のDataSheet
のアプリケーションノートの回路図
USB部の回路はこうなっていた。
USBの電源は、VBUS側ではなくGND側をUSB_EN
2
でON/OFFするようになっているようだ。
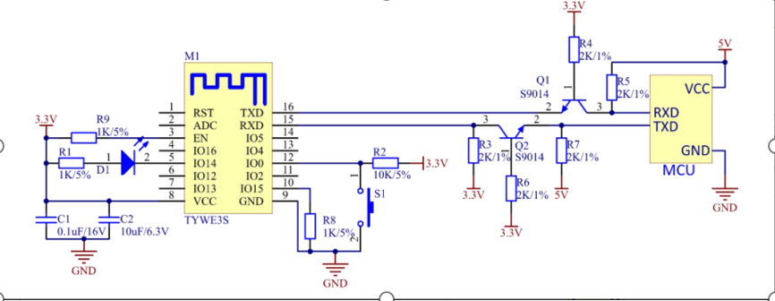
制御部
TYWE3SのDataSheet
のアプリケーションノートを見ると、
⇒この回路図のアンテナパターンって逆なんじゃないの?
基板のアンテナが2本線になっていない側が1番ピンだが、そうすると、GNDとVCCは実際の基板配線と逆になってしまう。
footprint
も紛らわしい。一番ピンのマークから判断できるけど、部品面はTopViewでピン配置はBottomViewなのか?
3
確証を得るためにググってみると、
TYWE3S_With_different_pinout
という記事では、
GNDとVCCは、実際の基板から読んだものと一致するので、単にDataSheetの回路図のアンテナ表記が間違っているだけだろう
4
。
ということで、制御部の回路はこんな感じだと思う
Q3~Q6は、おそらく SS8050 NPN Transistor
1
といっても、5V系⇔3.3V系は25mΩのRS1で接続されているので、ほぼ同電位だが。
2
USB_ENは、便宜上、自分が適当に付けた名前。
3
BottomViewの場合は明記して欲しいし、回路図に間違ったアンテナパターンを描かないでほしい。
4
記事中では、GNDとVCCについては全く触れていないので、それに関しては間違いないだろう。
[top]
結局
基板のパターンを読んで、いろいろチェックしてみたが、特に問題なさそうに見える
容量の抜けか、容量か抵抗のショートとかだろうと思うんだけど?
電源をつないでみて、発熱している部品がないかチェックしてみたが、制御部のTYWE3Sが少し暖かくなっているぐらい
あれ、電源ちゃんと来てるじゃないか...ということで動作チェックしてみると、全く問題なし。
電源を入れるとLEDが点灯して、すぐ消灯するが、しばらくすると起動して動作開始する。
もしかすると、壊れていると勘違いしただけなのか。。でも再起動は何回か試したけどダメだったのは確かだし。。。
分解して組み立てただけだが、治ってしまった。制御部のコネクタの接触不良だったのかな?
解析は無駄になってしまったが、まぁ面白かったので良しとしよう。
[top]
[Homeに戻る]
コメント欄の表示/非表示
⇒ Disqusの広告がうるさすぎるので基本は非表示にしました
Please enable JavaScript to view the
comments powered by Disqus.
comments powered by
Disqus